728x90
반응형
오늘은 석유화학 공장에서 자주 쓰이는 도면에 대해 써보고자 합니다.
P&ID
PFD
ISO DRW
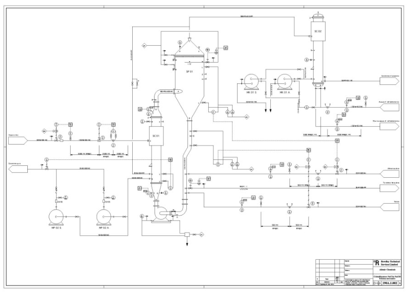
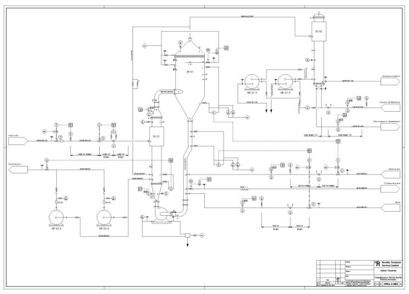
1. P&ID

P&ID란 Piping & Instrument Diagram의 약자입니다.
플랜트 프로세스에 있어 배관 및 계측, 제어 장치, 설비를 세세하게 나타낸 도면입니다.
P&ID의 정보
1) General (일반사항)
- Valve 및 Equipment의 Symbol & Legend
- Pipe connection, Meterial, Fitting 등
- Pipe line nomenclature
- Abbreviation
- Instrument symbol
- 기타 특수 요구 사항
2) Equipment
- Equipment Tag No. , 명칭, 용량 등
- 장비 내 Manway 표기, Tray, Vent, Drain 등
- 기기 별 Insulation, Heat tracing(Steam, Elec 등)
3) Piping
- Valve 종류 별 Symbol, Tag No. , Size. , Valve의 Status(FO, FC, LC, LO)
- Line No. , Size, Insulation 정보
- Vent 및 Drain point
- Scope 및 TP 기재
4) Instrument
- 계기 별 Tag No.
- DCS 또는 Local 제어 장치 구분
- 제어벨브 Signal 표기
- POV 같은 Instrument Air, 전기가 필요한 Line 표기 등
- 비정상 운전 시 Inter Lock System 표기
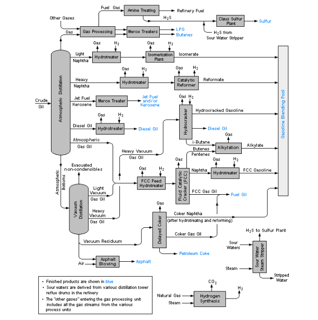
2. PFD

PFD는 Process Flow Diagram의 약자입니다.
이름 그대로 공정흐름도라는 뜻입니다.
각 공정에 따른 기기의 구성 및 흐름을 간결하게 표기하여야 하며 모든 기기와 정상 운전에서 흐름을 가지는 모든 라인을 표기하여야 합니다. PFD가 공정설계의 기초가 되며 이후 P&ID의 기초가 되므로 공정 엔지니어가 PFD 구상을 잘해야 효율적인 설계를 할 수 있습니다. 설계에 있어 가장 기초가 되며 가장 중요하기도 합니다.
3.ISO Drawing

isometric 기법의 도면이라는 뜻으로 현장 그대로의 배관을 3D로 구현한 도면입니다. 배관을 수정/추가하는 작업을 할 때 주로 사용합니다.
728x90
'석유화학산업' 카테고리의 다른 글
| 샤힌 프로젝트2 (0) | 2024.03.16 |
|---|---|
| 석유의 미스테리 (1) | 2024.03.12 |
| BTX (0) | 2024.03.03 |
| S-oil 샤힌프로젝트 (1) | 2024.03.02 |
| 고유가가 유지되는 이유 (0) | 2024.03.02 |